AK 400

Vous avez trouvé une superbe sortie de grange ? Vous voulez montrer votre restauration ? Ou tout simplement présenter votre titine ? Alors il faut poster ici !
Avatar du membre
YoPac
Messages : 6673
Enregistré le : 13 févr. 2011 20:40
Localisation : Villefranche sur Saône (69)

Re: AK 400

Message non lu par YoPac »

&a&
Elle va avoir les pattes AR plus belles que certaines à la fin du confinement &a& sors
Yopac


Image
Avatar du membre
Thierry
Messages : 731
Enregistré le : 04 janv. 2014 21:52
Localisation : Collonges au Mont d'Or (69)

Re: AK 400

Message non lu par Thierry »

YoPac a écrit :&a&
Elle va avoir les pattes AR plus belles que certaines à la fin du confinement &a& sors
Il faudrait faire un défilé concours d'élégance :shock:
Une idée pour les futures réunions :okayd: ?????
Avatar du membre
YoPac
Messages : 6673
Enregistré le : 13 févr. 2011 20:40
Localisation : Villefranche sur Saône (69)

Re: AK 400

Message non lu par YoPac »

&a&
Yopac


Image
Avatar du membre
Thierry
Messages : 731
Enregistré le : 04 janv. 2014 21:52
Localisation : Collonges au Mont d'Or (69)

Re: AK 400

Message non lu par Thierry »

Je profite de ce dimanche pluvieux pour commencer le démontage du moteur AM2A.
Je l'ai mis sur un chariot que j'ai récupéré dans un EHPAD.
Fichiers joints
IMG_20201031_113141.jpg
IMG_20201108_111112.jpg
Avatar du membre
YoPac
Messages : 6673
Enregistré le : 13 févr. 2011 20:40
Localisation : Villefranche sur Saône (69)

Re: AK 400

Message non lu par YoPac »

Bon courage mon Thierry.
Et n'oublie pas de garder ce chariot qui pourra te servir un jour de ... cadre de marche &a& &a&
sors
Yopac


Image
Avatar du membre
Thierry
Messages : 731
Enregistré le : 04 janv. 2014 21:52
Localisation : Collonges au Mont d'Or (69)

Re: AK 400

Message non lu par Thierry »

&a& &a& &a&
Avatar du membre
Mouloud
Messages : 2581
Enregistré le : 12 mars 2011 11:25
Localisation : Lyon

Re: AK 400

Message non lu par Mouloud »

:[ :[ :[ :[
Mieux vaut être saoul que con, çà dure moins longtemps !!!
Avatar du membre
Christophe
Messages : 915
Enregistré le : 08 nov. 2015 17:30
Localisation : St Victor (07)

Re: AK 400

Message non lu par Christophe »

Après on dit que le personnel soignant manque de moyens ! :?
Dyane 6 1977 / LNA Club 1982 / 2CV 6 Club 1983 / LNA 11E 1983 / Visa Challenger 1986 / BX 1987 / C15E 475 Kg 1988 / ZX Break Tentation 1997 / Saxo BiC 2 1.1i 2003
Avatar du membre
Thierry
Messages : 731
Enregistré le : 04 janv. 2014 21:52
Localisation : Collonges au Mont d'Or (69)

Re: AK 400

Message non lu par Thierry »

Hello les spécialistes en gériatrie :byebye:

J'ai besoin d'un petit conseil.
Il y a des fuites (non moi je suis encore étanche :lol: ) d'huile au niveau des sorties de boite et transmission.
Il y avait de l'auto joint bleu qui bien sûr est poreux avec l'huile de boite.
Je pense qu'il existe un joint à des couettes ;)
Pouvez vous me le confirmer ???

à bientôt :byebye:
Fichiers joints
joint sortie boite.jpg
Avatar du membre
jacques
Messages : 3927
Enregistré le : 22 mars 2011 20:23
Localisation : Lyon - Ouagadougou

Re: AK 400

Message non lu par jacques »

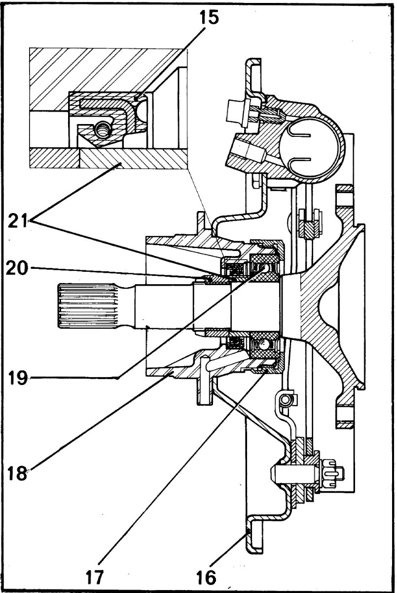
sortie de boite 001.jpg
comme tu peux le voir sur la coupe, il y a un joint spi "15"avant le roulement.
et un trou d'évacuation de l'huile entre le joint et le roulement. et il faut bien le positionner vers le bas.
ce qui permet, en cas de petite fuite, que l'huile n'arrive pas sur les freins.
entre le boitier et le carter de boite, il y a aussi un joint papier bien visible sur tes photos.
j'ai déjà vu des problème d'huile dans le freins uniquement par ce que le trou d'évacuation était vers le haut.

attention aussi ne ne pas intervertir les sorties gauche et droite, car il y a un calage précis. (il me semble, ou peut être que c'est sur la partie intérieur)
Avatar du membre
Thierry
Messages : 731
Enregistré le : 04 janv. 2014 21:52
Localisation : Collonges au Mont d'Or (69)

Re: AK 400

Message non lu par Thierry »

Merci Jacques pour tes explications très claires :okayg:

Je commanderais des joints papiers chez Cmalin.
Je vais vérifier que ce petit trou d'évacuation soit vers le bas.
J'ai repéré l'élément gauche pour ne rien inverser au remontage.

Avant cela, nettoyage boite et moteur demain ......
Avatar du membre
jacques
Messages : 3927
Enregistré le : 22 mars 2011 20:23
Localisation : Lyon - Ouagadougou

Re: AK 400

Message non lu par jacques »

tu peux aussi changer le joint spi pendant que tu y ai.
Avatar du membre
Thierry
Messages : 731
Enregistré le : 04 janv. 2014 21:52
Localisation : Collonges au Mont d'Or (69)

Re: AK 400

Message non lu par Thierry »

J'y pensais, comme ceux de boite et du moteur car c'est bien gras !!!
Je vais séparer le moteur et la boite, et il me faudra un centreur d'embrayage je pense ???
Mais comme je n'ai jamais changé de joints spi, je referai surement appel à tes explications.

Bon dimanche en attendant zoubi
PASC4L
Messages : 244
Enregistré le : 10 oct. 2020 09:57
Localisation : Sainte-Foy-lès-Lyon

Re: AK 400

Message non lu par PASC4L »

Thierry a écrit : 15 nov. 2020 08:48 Mais comme je n'ai jamais changé de joints spi, je referai surement appel à tes explications.
Je viens d'enlever les 2 joints spi du moteur cette semaine et j'ai eu un peu de mal : j'ai essayé de mettre des vis à placo pour tirer ensuite, mais au lieu d'un ressort dans la gorge intérieure, il y avait un anneau rigide et pas de passage pour la vis.

J'y ai passé du temps surtout pour faire en sorte d'épargner les surfaces de portée du joint ; j'ai fini par couper ce maudit anneau rigide en tapant au marteau sur un tournevis d'électricien (très fin) dirigé bien droit pour ne blesser ni la face intérieure, ni la face extérieure : il faut aussi s'arrêter avant que le tournevis atteigne la face située au fond.

Ensuite, on arrive à mettre le joint spi en travers et à le retirer.
Avatar du membre
Thierry
Messages : 731
Enregistré le : 04 janv. 2014 21:52
Localisation : Collonges au Mont d'Or (69)

Re: AK 400

Message non lu par Thierry »

Je vois Pascal que tu suis mes publications comme je suis les tiennes et ces échanges sont très intéressants :clap:
Et on a la chance que Jacques réponde à nos questions.
Bientôt je mettrai des photos des sorties de boite car je ne comprend pas comment atteindre les joints :roll: :shock:
Avatar du membre
Thierry
Messages : 731
Enregistré le : 04 janv. 2014 21:52
Localisation : Collonges au Mont d'Or (69)

Re: AK 400

Message non lu par Thierry »

Je continue le nettoyage à l'essence.
Fichiers joints
IMG_20201115_165156.jpg
Avatar du membre
Thierry
Messages : 731
Enregistré le : 04 janv. 2014 21:52
Localisation : Collonges au Mont d'Or (69)

Re: AK 400

Message non lu par Thierry »

Pour remplacer les joints spi sortie de boite ça a pas l'air évident et il doit falloir des outils spéciaux pour ouvrir le montage.
Je teste l'étanchéité avec de l'huile et en faisant tourner l'axe.
Pas de fuite :-/
Je vais laisser l'huile pendant plusieurs jours.........
Fichiers joints
IMG_20201115_163444.jpg
IMG_20201115_163539.jpg
Avatar du membre
jacques
Messages : 3927
Enregistré le : 22 mars 2011 20:23
Localisation : Lyon - Ouagadougou

Re: AK 400

Message non lu par jacques »

pour démonter il faut la clef à tub qui va bien pour l'écrou sur l'arbre
après une clef à chaîne.
je vous joint les explications:
sortie de boite démontage.jpg
sortie de boite remontage.jpg
Si besoin, j'ai la clef à tub qui va bien.
Avatar du membre
Thierry
Messages : 731
Enregistré le : 04 janv. 2014 21:52
Localisation : Collonges au Mont d'Or (69)

Re: AK 400

Message non lu par Thierry »

Merci Jacques pour ta proposition de clef à tube. Si j'ai besoin je n'y manquerai pas :okayg:
J'en ai une mais trop grosse, elle ne passe pas entre le plateau de frein et le montage.

Je pense que la fuite venait du joint papier très abimé, quasiment inexistant :oops:
Je vais laisser avec l'huile comme sur la photo pendant plusieurs semaines pour confirmer l'étanchéité des joints spi.
Avatar du membre
Mouloud
Messages : 2581
Enregistré le : 12 mars 2011 11:25
Localisation : Lyon

Re: AK 400

Message non lu par Mouloud »

Thierry a écrit : 15 nov. 2020 19:28 Merci Jacques pour ta proposition de clef à tube. Si j'ai besoin je n'y manquerai pas :okayg:
J'en ai une mais trop grosse, elle ne passe pas entre le plateau de frein et le montage.

Je pense que la fuite venait du joint papier très abimé, quasiment inexistant :oops:
Je vais laisser avec l'huile comme sur la photo pendant plusieurs semaines pour confirmer l'étanchéité des joints spi.
Prétentieux ! Change plutôt tes lunettes ... &a&
Mieux vaut être saoul que con, çà dure moins longtemps !!!
Répondre